SQ



The GRUNDFOS SQ range of compact submersible boreholes pumps are suitable for both continuous and intermittent operation on a wide variety of applications.These include domestic water supply, water transfer and irrigation duties for both borehole and tanks and due to excellent starting characteristics, they are particularly suited to pressure control operation. The pumps offer a wide number of unique features provides by the built in GRUNDFOS electronic motor controller including: 

  • Run dry operation - no electrodes required.
  • Soft start design avoiding high electrical loads and water hammer - also ideal for generator operation
  • Over and under voltage protection - ideal for unstable power conditions
  • Excellent wear characteristics - can handle slightly silted waters
  • 3'' diameter to fir narrow boreholes

Hydraulic components are made from polyamide plastic and the special design floating impellers each have a tungsten carbide/ceramic bearing. The pump sleeve,shaft and other principal components are made from stainless steel. 

Motor
The unique integrated GRUNDFOS MS3 high efficiency permanent magnet motor is controlled by a built in frequency converter which increases the standard mains frequency enabling the pump to run at high speed. All control functions are built into the frequency converter and no additional motor protection is required other than a 13amp fuse or MCB.

Voltage: 1x240V
Speed: 10,700rpm
Power Factor: 1

Operating Conditions
Pump liquid: Thin, clean, non aggressive containing no solids or fibers
Max. Water Temperature: +30°C (no liquid flow past motor), +40°C (min 0.15l/sec liquid flow past motor)
Max Water depth: 150m
Min Borehole Diameter: 80mm

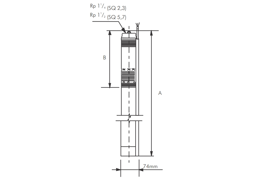
PUMP DATA

Pump Type Number of stages Power (kW) Running Current (A) Dimensions Weight (kg)
A B
SQ 2-35 0.7  5.2  741  265 
SQ 2-85 5 1.2 8.4 825 346 6
SQ 2-115 7 1.9 12.3 889 373 7
SQ 3-30 2 0.7 5.2 745 265 5
SQ 3-65 5 1.2 8.4 825 346 5
SQ 3-105 8 1.9 12.3 942 427 7
SQ 5-25 2 0.7 5.2 743 265 6
SQ 5-50 4 1.7 11.2 824 346 7
SQ 5-70 6 1.9 12.3 941 427 7
SQ 7-30 2 1.2 8.4 743 265 6
SQ 7-40 3 1.7 11.2 862 346 7

 

Choose Pump by Usage / Application

Find the BEST solution for your installation based on your select requirement.