Dayliff Regulating Chemical Dosers provide highly effective, simple to operate dosing solutions for maintaining pre-set concentrations for two parameters, mainly residual chlorine and pH levels in swimming pool, general water treatment and industrial process water applications. Temperature measurement is also possible.
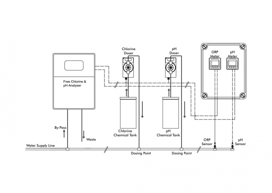
Doser components include chemical analysers of high measurement accuracy controlling Dayliff Seko DPT proportional feed positive displacement diaphragm dosage pumps fitted with micro-processor based magnetic solenoid motors that vary dosage by varying stroke frequency according to the input signals sent from the analysers. These pumps are mounted on the chemical solution tanks.
Two analyser options are available:-
Modular Analysers provided with LCD screens for system configuration and operational monitoring that individually measure a parameter, usually ORP and pH measurement. Electrical input is given from separate in-line sensors mounted on the supply water line. The analysers are usually integrated with the main system control panel.
Integrated Analyser complete with touch display, integral data logging and flow cell that measures Free Chlorine and pH parameters from a by-pass flow off the supply water line and gives greater parameter accuracy. Analysers should be mounted outside the main system control panel due to the water flow presence.
All analysers include the option of remote monitoring and logging to a BMS/SCADA interface or via a Dayliff IOT App.
Complete standalone chemical regulating kits are available to special order with both analyser options supplied complete with DPT doser pumps and 60L chemical tanks.
| |
Modular |
Integrated |
| Process Connections |
4x6mm |
| Dosing Pump Inlet/Outlet Hose Connections |
Sensors: 3/4" NPT |
Sampling Stream: 1/4" hose, Outlet: 1/2"hose |
Measurement Range |
pH |
0-14 |
2-14 |
| ORP |
±1000mV |
- |
| Free Chlorine |
- |
0-5ppm (default) or 0-20ppm |
| Water Temperature |
0-99.9°C |
| Ambient Temperature |
5-50°C |
| Rated Voltage |
1x240Vac |
| Dimensions (HxWxD)mm |
340x822x210 |
710x840x140 |
| Weight (kg) |
7 |
12 |