The Dayliff DHF series is a centrifugal non self priming closed impeller pump specially designed for high flow commercial and industrial water supply uses in water boosting and transfer applications. The pump body is cast iron with a brass impeller.
MOTOR
Pumps are close coupled to reliable TEFC electric motors designed for continuous operation and are provided with a thermal cut out to protect against electrical overload. Single phase pumps can be connected directly to the mains power supply through a 10A fuse or MCB while three phase models require a remote DOL starter according to the local regulations.
Enclosure Class: IP44
Insulation Class: F
Speed: 2900rpm
OPERATING CONDITIONS
Pumped Liquids: Thin, clean, chemically non-aggressive liquids with max. sand content of 0.25%
Max. Fluid Temperature: +40º C
Max. Ambient Temperature: +40º C
Max. Suction Lift: 7m at sea level
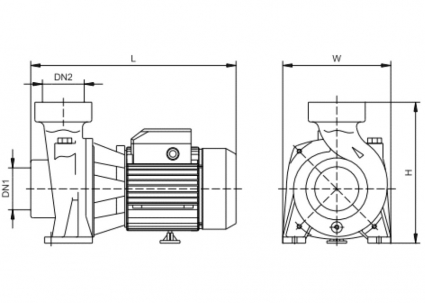
| Model |
Motor |
DN1(") |
DN2(") |
Dimensions(mm) |
Weight(kg) |
| kW |
Voltage(V) |
Current(A) |
W |
H |
L |
| DHF200 |
1.5 |
1x240 |
9.8 |
2 |
2 |
207 |
259 |
369 |
19 |
| DHF300 |
2.2 |
3x415 |
3.5 |
3 |
3 |
238 |
313 |
392 |
25 |