The DAYLIFF DDP range of pumps are robust and efficient automatic pressure controlled peripheral impeller booster pumps suitable for domestic and small scale applications where on-demand water supply is required. The pumps are self priming and are equipped with a diaphragm type pressure vessel and pressure control to provide fully automatic operation. DDP50A incorporates mechanical pressure control start and stop while DDP65A incorporates an electronic microprocessor that starts and stops the pump automatically, provides dry running protection, auto re-start and controls cycling.
Pump construction is a cast iron body with stainless steel insert on the wearing surface and brass impeller.
MOTOR
The pump is close-coupled to a single-phase motor designed for continuous operation and is provided with a thermal cutout to protect against electrical overload. It can be connected directly to the mains power supply through a 5A fuse or MCB.
Enclosure Class: IP44
Insulation Class: B
Speed: 2900rpm
Voltage: 1X 240V
OPERATING CONDITIONS
Pumped Liquid: Thin, clean, chemically non-aggressive liquids without solid particles or fibres
Max. Fluid Temperature: +60°C
Max. Ambient Temperature: +40°C
Max. Suction Lift: 7m at sea level
Cut In Pressure: 1.2 Bar DDP50A, 1.5Bar DDP65A
Cut Out Pressure: 1.8 Bar DDP50A, 3Bar DDP65A
Pressure Vessel Pre-charge Pressure: 0.95 Bar
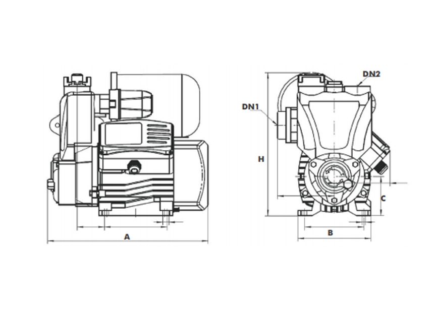
PUMP DATA
| Model |
Power |
Current (A) |
Dimensions (mm) |
Weight (kg) |
| kW |
HP |
DN1 |
DN2 |
A |
B |
C |
H |
| DDP50A |
0.25 |
0.32 |
2 |
25 |
25 |
265 |
200 |
72 |
256 |
9 |
| DDP65A |
0.37 |
0.5 |
2.1 |
268 |
121 |
65 |
240 |